Volvo Penta Valve Stem Seal Volvo Penta (3855814)

VOLVO PENTA
SKU:
3855814
$20.44
$23.50
(You save $3.06 )
(No reviews yet)
Condition:
New
Current Stock:
Adding to cart… The item has been added

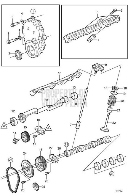
VALVE STEM SEAL Volvo Penta (3855814) - It lubricates the valve guide and reduces engine emissions by delivering a precise amount of oil to the valve stem interface of internal combustion engines. They come in both boosted and non-boosted versions for diesel and gasoline engines. Lubricates the valve stem as it passes through the valve guide with a predetermined amount of oil. The amount of oil that passes through the valve stem seal needs to be observed. They function similarly to a squeegee, cleaning and measuring oils from the stem as it goes past the seal. Deflector seals oil away from the valve stem, as the name implies.

Key Features:

  • To lubricate the valve guide and reduce engine emissions.
  • Under normal driving circumstances, it will last more than 150,000 kilometers.
  • To keep oil out from the cylinder head.
  • The highest quality materials and cutting-edge technologies.
  • To ensure a long-lasting seal.

Product Details:

  • SKU: 3855814
  • Weight: 0.06 LBS
  • Diagram Reference Number: 21
  • Brand: Volvo Penta

Volvo Penta Exploded view / schematic Camshaft and Valve Train